Ring Cutting - Jump Ring Cutter Adam Sutton

Jump Ring Cutter

Also hosted on: Grabcad

See the full project on My Site

I have designed this tool for use in making quality saw-cut jump rings for chain mail weaving. Jump Rings of course can be used in a wide variety of crafts incl. chainmail and jewelry making.

In building the device I have adjusted certain parts of the rig. The model does not yet reflect this. The only major design flaw is that the vibration of the Dremel (M100) causes the ring cutter to travel across the table. I plan to remedy this by either adding tabs to the legs for clamping to the table or adding weights.

I am actively seeking criticisms of my design or better methods of cutting jump rings all together, so please share your input. I find this method to be very effective, but the rings will still need to be tumble polished after cutting to get rid of little metal flares.

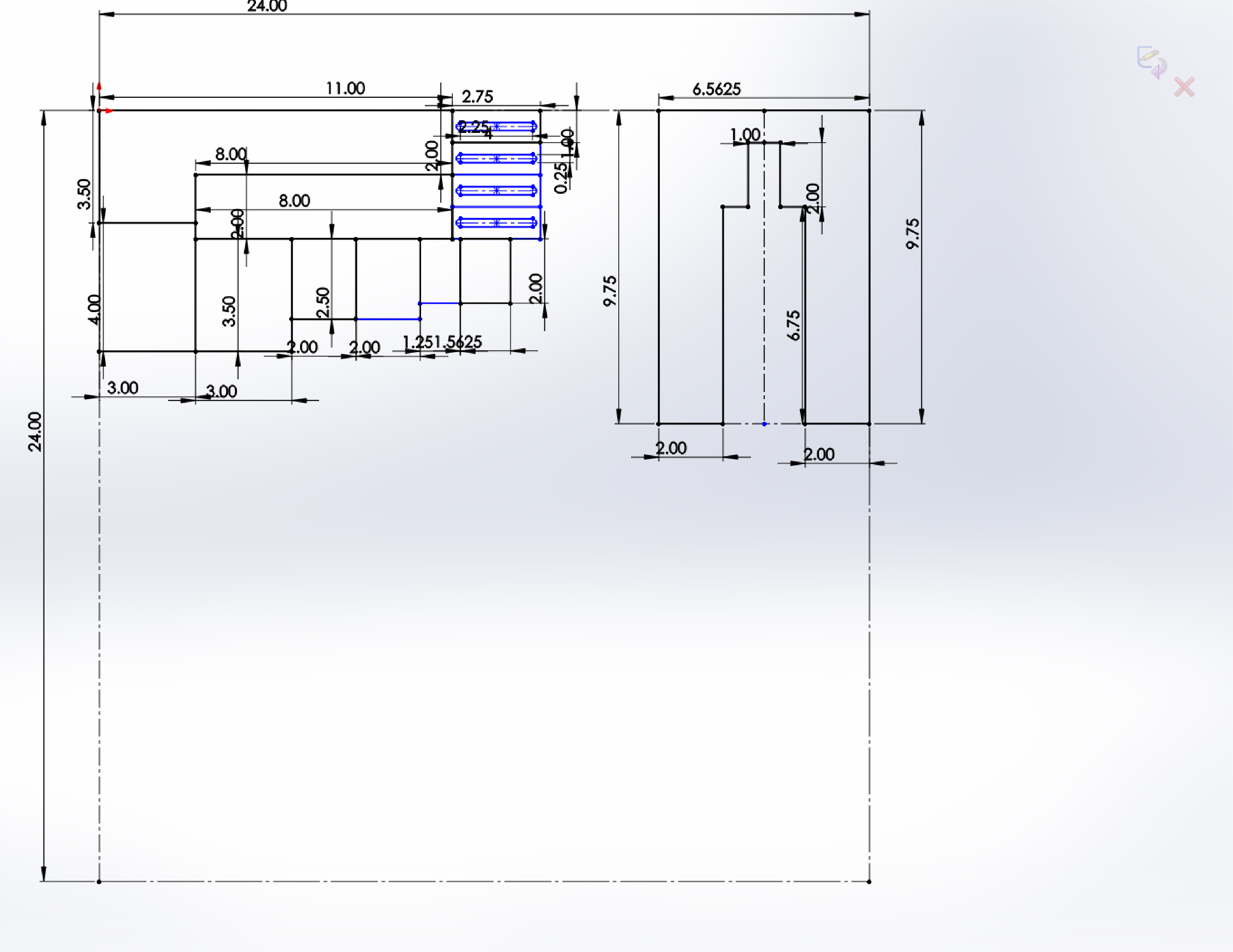
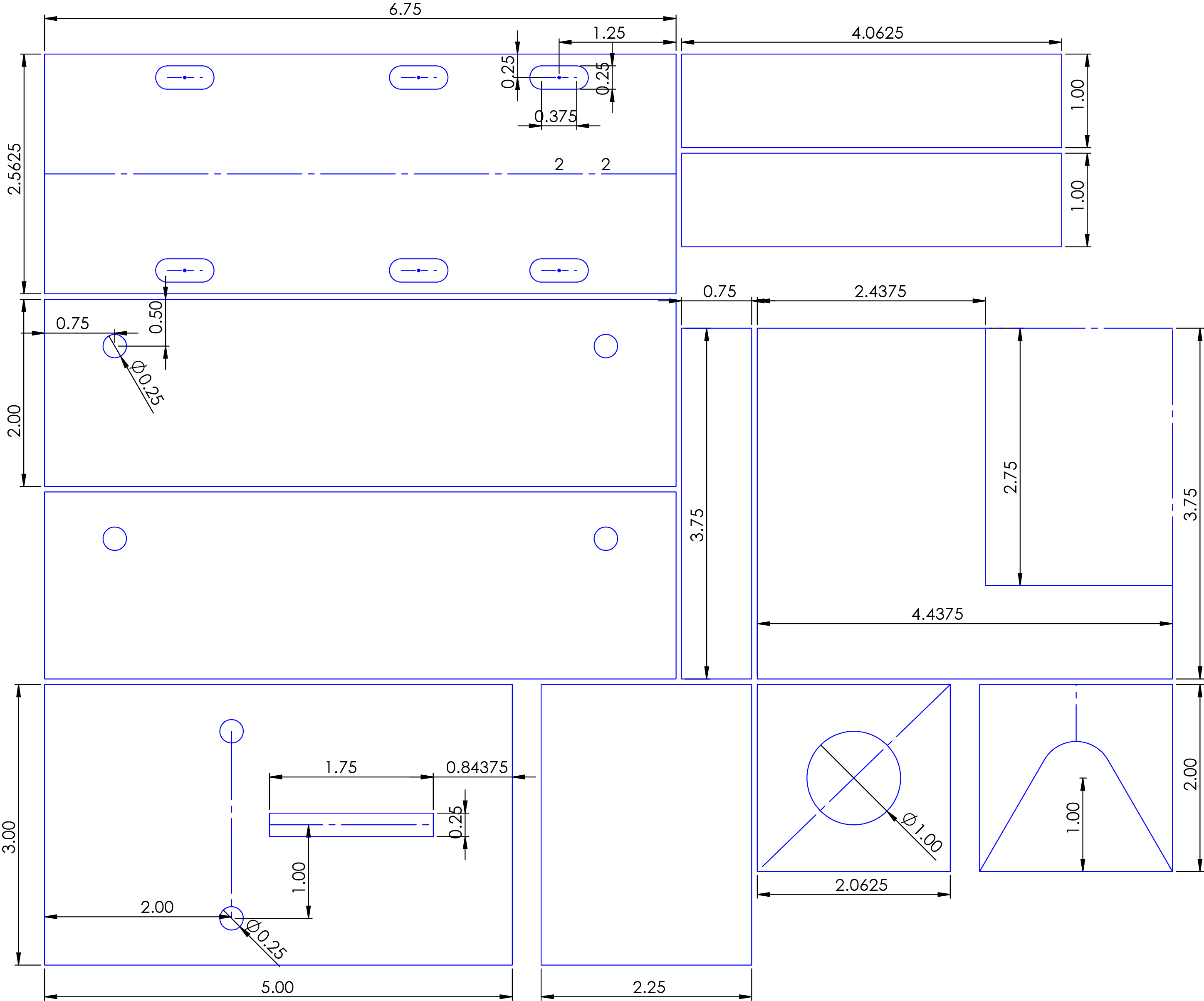
Adobe Illustrator files for dimensions are included.

Individual Models Included:
Cutting Rig – The body of the Cutter, made from 3/4″ Birch and 1/4″ MDF.
Dremel – An accurate (w/o detail) model of the Dremel M100 Rotary Tool Body.
Cutting Mandrel – Model of Dremel’s EZ406 Cutting kit.
Dremel Box – 1/4″ MDF Cradle fitted to Dremel M100.
1/4″ Bolt – My own Model of a 1/4″ Bolt for use in this assembly.

External Models Needed:
Wing nut 1/4″ by Sergio Loeza

How it Works:
The purpose of the rig is to allow the upward and downward movement/locking of a dremel, so as to accommodate different diameter cutting discs for use in sawing jump rings. Also to allow precise adjustment of the cutting depth.
The dremel is secured into its cradle with up to three zip ties. It is then adjusted so that its blade emerges sufficiently from beneath the work surface. Then the dremel is locked in place via Wing Nuts.
A guide made from 1″ MDF is locked onto the work surface. The guide has a hole bored to the appropriate diameter for the coil you will be sawing.
The coil is fed through the guide, and freshly cut jump rings are collected in the small box on the side.

Download Attachments

FileDescriptionFile sizeDownloads
zip .ZipAll Files
7 MB 1563
png Ring Cutting738 KB 2260
jpg Rings Cut195 KB 1657
png Ring Cutter3585 KB 1573
png Ring Cutter758 KB 1640
jpg P101070694 KB 1532
png Mandrel Above954 KB 1571
png Dremel702 KB 1389
unknown - Jump Ring Cutter Adam Sutton Birch Cut Dimensions.ai file
265 KB 1496
unknown - Jump Ring Cutter Adam Sutton MDF Cut Dimensions.ai file
178 KB 1490
unknown - Jump Ring Cutter Adam Sutton CoilGuide.sldprtSolidworks Part
152 KB 1362
unknown - Jump Ring Cutter Adam Sutton CuttingMandrel.sldprtSolidworks Part
306 KB 1324
unknown - Jump Ring Cutter Adam Sutton CuttingRig.sldprtSolidworks Part
688 KB 1400
unknown - Jump Ring Cutter Adam Sutton DremelBox.sldprtSolidworks File
533 KB 1333
unknown - Jump Ring Cutter Adam Sutton Dremel.sldprtSolidworks Part
256 KB 1326
unknown - Jump Ring Cutter Adam Sutton RingCutter.sldasmSolidworks Assembly
912 KB 1396
jpg Birch Cut Dimensions716 KB 1388
jpg MDF Cut DimensionsMDF cut dimensions for jump ring cutter
Dimension sheet to cut MDF pieces for jump ring cutter seen at <a href="http://adamofsutton.com/jump-ring-cutter-completed/">http://adamofsutton.com/jump-ring-cutter-completed/</a>
608 KB 1457